Á¦Ç°¼Ò°³
³ª¸¸ÀÇ ¼û°ÜÁø ½Ã½ºÅÛÀ» ³» ¸¾´ë·Î ¼³°èÇÑ´Ù.
Æí¸®ÇÑ ±â´ÉÀÌ ¾Æ¸§´Ù¿î °ø°£À¸·Î Àçź»ýÇÑ´Ù.
¸®ÇÁÆ® µµ¾î
¸®ÇÁÆ® µµ¾î
Lift Door (VLD-60)

| Specification | ÀüÀÚ·¹ÀÎÁö, ¹ä¼Ü, °¡Àü¼Ò¹° ¼ö³³°¡´É |
|---|---|
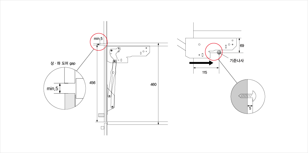
| ½½¶óÀ̵ù·¹ÀÏ ¼³Ä¡ ½Ã ¹ÞħÆÇ ½ºÆå ÂüÁ¶ | |
| Ãë»ç ½Ã µµ¾î ¿°í »ç¿ë | |
| ¹ä¼Ü¿ëÀ¸·Î »ç¿ë½Ã 500mm ·¹ÀÏ»ç¿ëÀ» ±ÇÀåÇÕ´Ï´Ù. | |
| Door size : 596 X 456 X 20 (basic size) | |
| Product size : 596 X 456 X 260 (door included) | |
| Product weight : 6.5kgs/set (hardware only) | |
| Material and finish : Black plastic-coated steel | |
| Operated by gas springs |
Installation
